questions reponse du forum pompe hydraulique
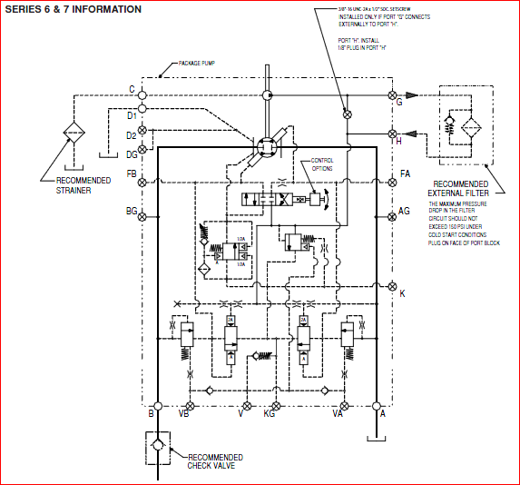
je veux savoir le fonctionnement de cette pompe Denison 935 71577
bjr
est ce pour gold cup ou un autre modelé ? envoyer moi des détail et une description complète pour etre rapide et efficace
cdl
Oui c’est bien GOLD CUP Ref: P14S — 2R1B — 9A2 — A00 — 0A1 — M2 — 07315
Serial: 94H03 — 6181
bjr
que voulez vous savoir , expliquer moi tout en détails, vous avez un probleme ou une pompe a réparer etc.… ?
c’est une des type de pompe les plus complexe, réserver a de tres tres bon hydraulique, sinon on cours a la cata
cdl
JE VEUX SAVOIR COMMENT CA FONCTIONNE. MAIS IL N’A PAS DE PROBLEME ON L’UTILISE SUR UNE MACHINE VIBRATEUR FONCEUR DE PALPLANCHES
JE VEUX SAVOIR LE FONCTIONNEMENT DE LA POMPE CAR J’Y TRAVAILLE DONC IL EST NECESSAIRE DE LE CONNAITRE. ELLE N’A AUCUN PROBLEME, FONCTIONNE SUPER BIEN




Ping : Reparation Pompes Moteur Hydraulique Parker-Denison GoldCup | Réparation Pompe, moteur Hydraulique
La structure de ceci me rappelle d’une transmission automatique. Cela n’est pas complètement surprenant vu qu’ils marchent plus ou moins de même façon. Le but d’une transmission automatique est de faire le transfert de l’énergie cinétique du moteur aux roues. Il fait ceci en utilisant du liquide. Un moteur hydraulique sert à généré et de faire le transfert de l’énergie cinétique à une partie d’une machine. En moyen, la majorité de leurs problèmes sont liées à leur capacité à transférer l’énergie, qui est compromis par une fuite.
cher cousin du Québec
n’hésiter pas a repondre au forum et meme a mettre votre lien de votre site sa va vous faire de la pub
ne pas oublier de repondre a mon mail du 15 concernant ceci
http://www.hydro-tg.com/moteur-hydraulique-reparation-renovation-revision/#comment-410
j’ai 3 mail de vous, lequelle est le bon, parfois j’ai des demande du canada, je vous les fait suivre du quel mail ? et m’en dire plus sur vos competence, pour faire suivre les demande que vous pouvez traiter
Gérard
Bonsoir. Je voudrais monter une centrale hydraulique load sensing sur la prise de force avant d’un tracteur agricole . je ne sais pas quelle pompe acheter , il me faut 150l mn à 200kg maxi à 1000t mn sans multiplicateur si possible.
En cherchant sur internet j’ai vu aussi (si j’ai bien compris) que l’on pouvait faire un circuit LS en mettant un boitier LS en sortie d’une pompe rotative. Est ce possible ?
merci en attente d’une réponse.
Bonsoir
ou ont peux faire en LS, apres il faut voir le circuit, car il faut etudier tout cela
je fait suit a mon collègue qui s’occupe de la vente de pompe
OILXPERTISE Hydraulicien spécialisé en vente de materiel hydraulique
cdl